2023年5月12-14日在江苏无锡明都大酒店举办的2023军民两用吸波、屏蔽、导热新材料论坛,安徽格兰科新材料技术有限公司应邀参加。此次论坛吸引了国内高校、院所,以及相关材料领域的企业。

在论坛会上,我司李年博士演讲了“三维石墨烯的电磁波屏蔽与吸收性能研究”的课题。

在会上,李年博士介绍了,目前公司新材料研发的进展,同时介绍了公司新材料方面的应用,作为三维多孔石墨烯的材料特点,公司在石墨烯电磁防护膜、石墨烯超级电容器、石墨烯锂电池负极、石墨烯大健康产品、石墨烯大功率电热器、石墨烯高温灭菌膜等开展相关的应用。

石墨烯电磁屏蔽吸收防护膜
石墨烯电磁屏蔽吸收防护膜,具有宽频段(0.03-40 GHz),易吸收为主(电磁吸收损耗占比≥99%)的防护膜,在全频段的屏蔽效能达到了≥ 80 dB的性能指标。



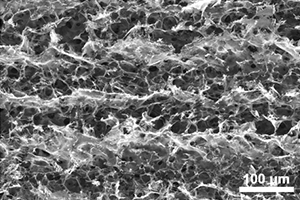
石墨烯膜大面积制备 三维石墨烯结构示意图 拉曼光谱图



性能对比
|
电磁波防护材料 |
三维石墨烯 |
ITO |
导电布 |
导电泡沫 |
导电硅胶 |
石墨导电胶 |
金属箔 |
|
成分 |
石墨烯复合材料 |
PET基底,镀氧化铟锡层 |
聚酯纤维布为基底,镀镍、碳、镍铜、铝 |
以泡沫镍、铁、铜为主要屏蔽材料 |
在硅胶中添加以银/铜、银/镍、镍/碳颗粒 |
以石墨粉为主,添加机硅铝酸盐形成导电胶 |
以铜、镍、铝的箔材为主的电磁屏蔽材料 |
|
电磁波防护范围 |
0.03-40 GHz |
30M~3GHZ |
100K-3GHz |
10M~3GHZ |
200K-10GHz |
1M-12GHz |
100K-10 GHz |
|
电磁防护性能 |
60-120 dB (吸收型,表面反射低于1 dB) |
30~50 dB |
> 50 dB |
40~ 90 dB |
90~100 dB |
30~40 dB |
30-90 dB |
|
厚度 |
0.1-0.3 mm |
1 mm |
1 mm |
> 1 mm |
> 1 mm |
> 1 mm |
> 1 mm |
|
特点 |
超宽频段/吸收型/ 低反射/ 轻质柔韧 |
柔性透明/价格昂贵/反射型 |
柔性/价格低廉/反射型 |
屏蔽效能高/反射型/频段窄 |
屏蔽效能高/柔韧性极差/价格高昂 |
价格低廉/吸收型/屏蔽效能低 |
低频屏蔽能力优越/高频屏蔽能力弱/反射型 |